格力LM系列風冷螺桿機LMPB30JD4ER/Nb型號、LMPB30JD3ER/Nb型號、LMPB40JE2ER/Nb型號、LMPD40JE1ER/Nb型號、LMPB50LE8ER/Nb型號、LMPD50LE7ER/Nb型號、LMPB33LF6ER/Nb型號、LMPD33LF5ER/Nb型號、LMPB43LG4ER/Nb型號、LMPD43LG3ER/Nb型號、LMPB44LF2ER/Nb型號、LMPD44LF1ER/Nb型號、LMPD54NG2ER/Nb型號、LMPD55NH1ER/Nb型號
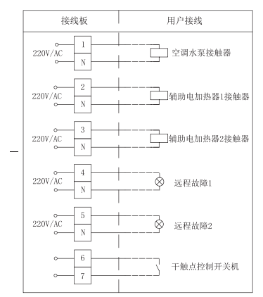
格力中央空調LM系列風冷螺桿機
一、產品介紹
1、產品定義
格力中央空調LMR系列部份熱回收風冷螺桿機組(簡稱部份熱回收風冷螺桿)是夏天提供冷水+免費生活熱水,冬天提供熱水的模塊化空調設備。
風冷式設計為用戶節省了冷卻塔、冷卻水泵、特別適合于缺水干旱的地區。機組無需專用機房,可安裝于屋頂、室外地面等地主。風冷螺桿機組可廣泛用于新建和改建的大小工業與民用建筑空調工程,如賓館、公寓、酒家、餐廳、辦公大樓、購物商場、影劇院、體育館、醫院及廠房等,也可為工廠生產的工藝過程提供所需的冷(熱)水,尤其適用于對噪聲和周圍環境有較高要求、不允許安裝鍋爐、不易安裝冷卻塔等特殊場合。
格力模塊化風冷螺桿是格力豐富設計經驗的應用,匯集諸多科技成就于一身;高性能的雙螺桿壓縮機、低噪聲軸流風機、高精度等級的電子膨脹閥、以及先進的控制系統等。
1.2產品外形圖













































以上是武漢格力中央空調提供的格力LM系列風冷螺桿機技術參數

咨詢熱線: